河北方源水利机械有限公司
0319-5489616
当前位置:河北方源水利机械有限公司 >技术参数 www.fangyuanshuili.com
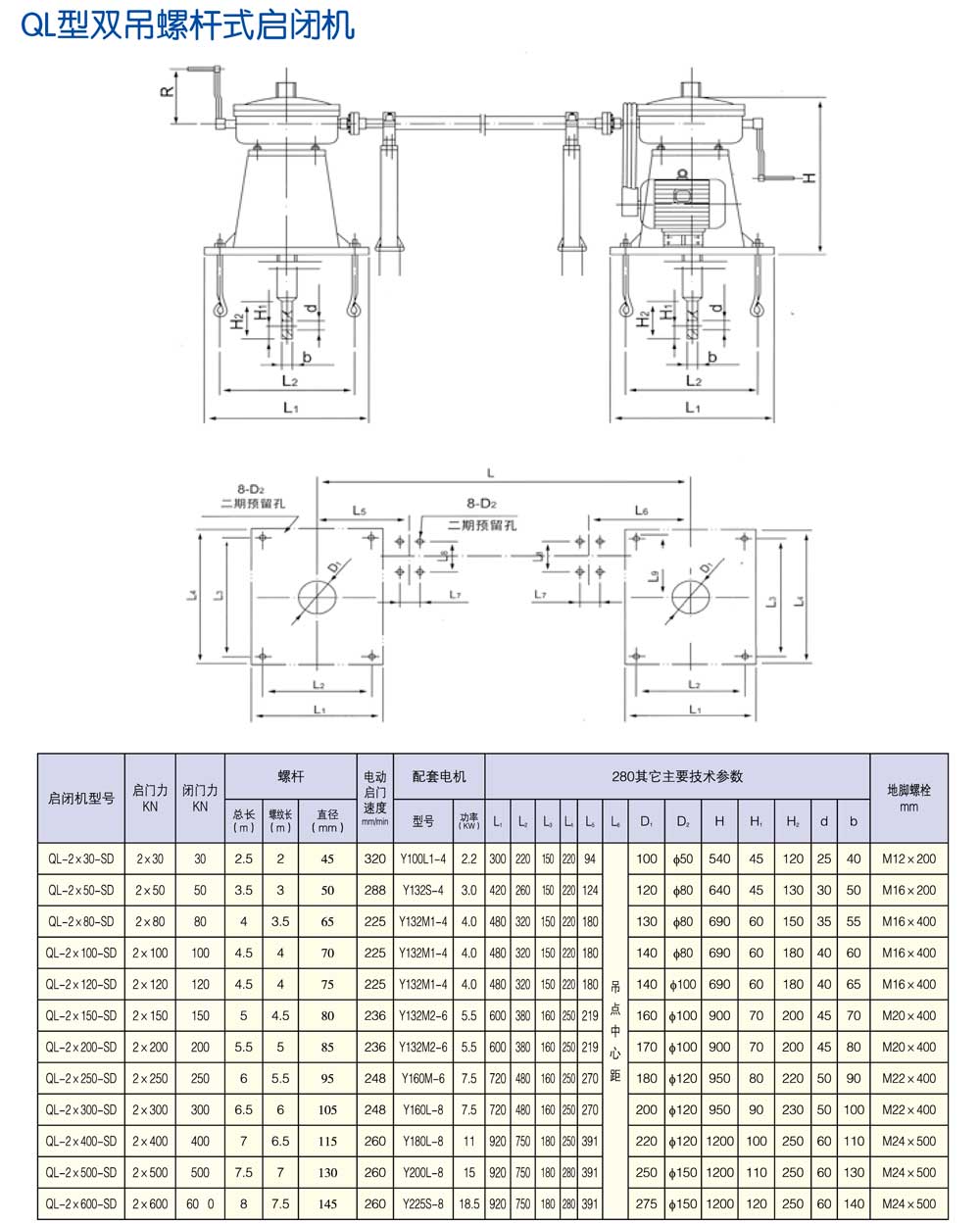
QL手电两用双吊点螺杆启闭机
发布日期:2020/3/26 16:27:12  已经浏览 5509 次
产品分类
清污机/拦污栅 液压坝 铸铁闸门 钢制闸门 螺杆启闭机 卷扬启闭机 拍门
联系方式

河北方源水利机械有限公司
联系人:李经理
电话:0319-5489616
手机:13482963888
          18732972825
          18403192678
fangyuanshuili@126.com
www.fangyuanshuili.com
河北省宁晋县营台工业区发展新路37号

版权所有:河北方源水利机械有限公司
网站:www.fangyuanshuili.com 地址:河北省宁晋县营台工业区发展新路37号
技术支持:邢台亿企网络 | 备案号:冀ICP备19024851号-1